春
节
乐
快
宁波市生态环境保护协会——甬环宝
微信小程序
注册
登录
400-806-6662
官方客服热线
首页
环保服务
需求大厅
信息发布
环保培训
政策法规
法律法规
标准文件
政策解读
典型案例
专家咨询
三会融合
环境科学学会
环保促进会
甬环介绍
意见建议
意见建议
意见建议
单位名称
姓名
手机
意见建议
立即提交
首页
/
信息发布
/
协会发布
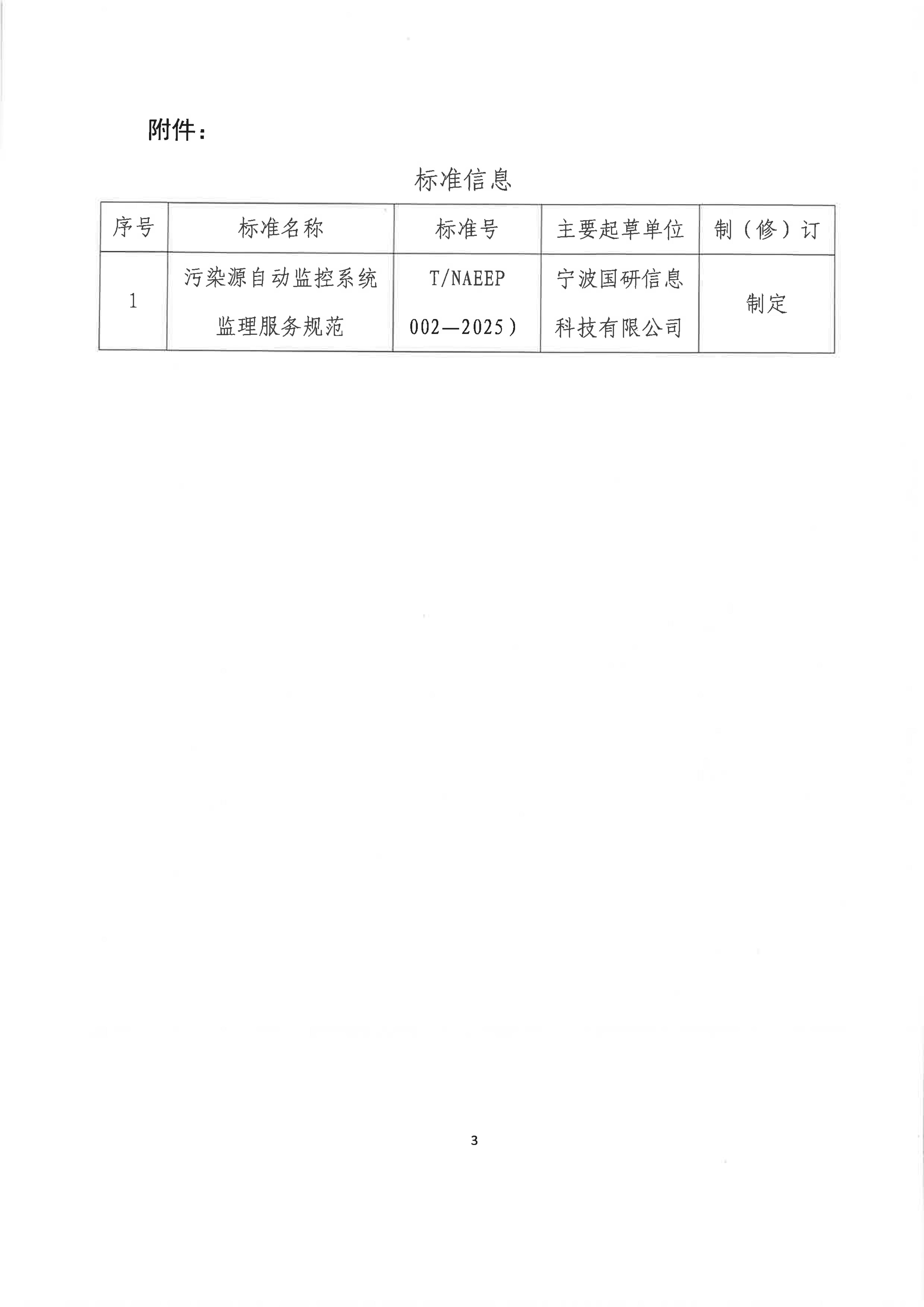
2025(27)--宁波市生态环境保护协会关于发布《污染源自动监控系统监理服务规范》团体标准的公告
发布时间:
2025-12-30
信息来源:
宁波市生态环境保护协会
热门信息
排污许可新规颁布后,许可证如何办?哪里办?如何办理延续、变更手续?以及有效期等这篇文章彻底说清楚了!
2024-12-19
以案释法丨2024年严重污染环境案例涉嫌污染环境犯罪专题
2024-12-27
深圳绿色交易所正式揭牌!
2024-11-12
关于召开宁波市生态环境保护协会九届三次会员大会的通知
2024-12-26